isFang IN-A 4000 ISOLEERITUD PIKSEMAST.KÜLGVÄL. ISCON KAABLI SISEPAIGALDUS 4000MM. GFK
Toote informatsioon
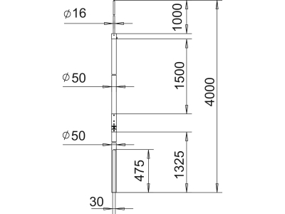
Piksekaitsevarras
- Pikkus 4000 mm
- Mudel Ümbersuunamise varras
- Materjal Muul viisil
- Ühendus Ümar juht
- Kõrge pingekindlusega isoleeritud mudel Jah
- Läbimõõt - - - mm
Allalaadimised
Kõik pildid
