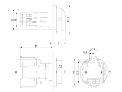
Toote informatsioon
Lahklüliti
- Maksimaalne nimitööpinge Ue AC 690 V
- Nominaalne püsivool Iu 40 A
- Nominaalne käitusvõimsus AC-23. 400 V korral 15 kW
- Tingitud nominaalne lühiühendusvool IQ 5.7 kA
- Seadme ehitus Sisseehitatud seadme fikseeritud sisseehitamise tehnika
- Juhtelemendi liik Pöörake nuppu (pöördnupp)
- Peavooluahela ühenduse tüüp Raami klamber
- Kaitseaste (IP). esikülg IP20
- Pooluste arv 3
Allalaadimised
Kõik pildid

