RBV 620 F FT 90° VERTIKAALPOOGEN LANGEV 60X200. ST. KUUMTSINGITUD KASTMISMEETODIL
Toote informatsioon
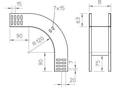
Kaablikanduri põlv
- Suuna muutus Vertikaalselt kahanev
- Kaablirenni kõrgus 60 mm
- Kaablirenni laius 200 mm
- Materjali paksus 1 mm
- Mudel Ilma liitmikuta
- Materjal Teras
- Pinnatöötlus Kuumtsingitud
- Põlv 90°
- Sobib tervikahelale Jah
Allalaadimised
Kõik pildid
