RKSM 630 FT KAABLIRENN RKSM MAGIC ÜHENDUSEGA 60X300X3050. ST. KUUMTSINGITUD KASTMISMEETODIL
Toote informatsioon
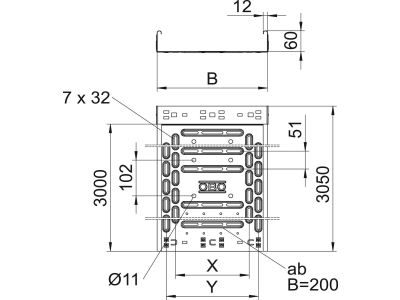
Kaablirenn (perforeerimata)
- Kõrgus 60 mm
- Laius 300 mm
- Materjali paksus 1 mm
- Pikkus 3050 mm
- Kasulik ristlõige 17800 mm²
- Mudel Integreeritud liitmik
- Materjal Teras
- Pinnatöötlus Kuumtsingitud
- Perforeeritud külgsein Jah
- Paigaldusperforatsioon põhjas Jah
- Sobib tervikahelale Jah
- Mass / kaal 3.56 kg/m
- Koormustesti tüüp vastavalt IEC 61537-le Type II
Allalaadimised
Kõik pildid
