V-TEC PG48 MS HÜLSSTIHEND PG48. CUZN. NIKELDATUD
Toote informatsioon
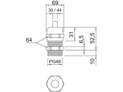
Kaablimuhv, soone ühendusliides
- Keerme liik PG
- Nominaalne meeterkeerme / PG mõõt 48
- Keerme pikkus 10 mm
- Mutrivõtme laius 64 mm
- Sobib vastava kaabli läbimõõduga 30 - 44
- Materjal Metall
- Materjal Messing
- Pinnatöötlus Nikeldatud
- Kaitseaste (IP) IP68
- Mudel Sirge
- Tihendi liik Rõngastihend
- Talitlustemperatuur -20 - 100
- Gaasiohtlikule keskkonnale Ilma
- Tolmuohtlikule keskkonnale Ilma
- Tõmbetõkisega Jah
Allalaadimised
Kõik pildid

