V50-3+NPE+FS-280 KOMBIPIIRIK V50 3-POOLUST+NPE+FS 280V
Toote informatsioon
Toitesüsteemide kombineeritud lahendi (liigpingepiirik)
- Äikse impulsspige (10/350) 12.5 kA
- Maksimaalne pidev pinge AC 280 V
- Nimipinge AC 230 V
- Pingekaitsetase 1.3 kV
- Pingekaitsetase L-N 1.3 kV
- Vastavalt kustutusvahendi tõhususele 0.1 kA
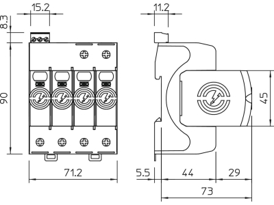
- Maksimaalne juhi ristlõige. jäik (jäik. kiuline) 35 mm²
- Maksimaalne juhi ristlõige. painduv (peene kiuga) 35 mm²
- Paigaldusviis DIN-latt (paigaldusliist) 35 mm
- Konstruktsiooni suurus 4 modulaarne vahe
- Signaal seadme juures Optiline
- Pooluste arv 4
- Kaitseaste (IP) IP20
- Süsteemi konfiguratsioon TN Jah
- Süsteemi konfiguratsioon TN-C-S Jah
- Süsteemi konfiguratsioon TN-S Jah
- Süsteemi konfiguratsioon TT Jah
Allalaadimised
Kõik pildid
