WKL 2030 FT TUGEVDATUD KAABLIREDEL WKL 200X300X6000. ST. KUUMTSINGITUD KASTMISMEETODIL
Toote informatsioon
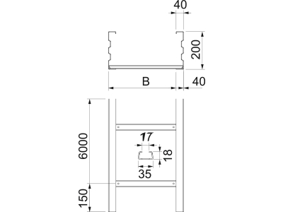
                    Kaablirenn (redeltüüpi)                
                - Võru liik Perforeerimata profiil
 - Kõrgus 200 mm
 - Laius 300 mm
 - Pikkus 6000 mm
 - Kasulik ristlõige 52400 mm²
 - Materjal Teras
 - Pinnatöötlus Kuumtsingitud
 - Perforeeritud külgsein Jah
 - Mass / kaal 13.58 kg/m
 
Kõik pildid
                
                